找回密码
 注册
关于网站域名变更的通知
查看: 343|回复: 2
打印 上一主题 下一主题

低噪声运算放大器MS8605/MS8606具体参数与替代

[复制链接]

该用户从未签到

跳转到指定楼层
1#
发表于 2022-4-21 23:03 | 只看该作者 回帖奖励 |倒序浏览 |阅读模式

EDA365欢迎您登录!

您需要 登录 才可以下载或查看,没有帐号?注册

x
MS8605、MS8606 是单通道和双通道的轨到轨输入输出单电源供电运放。它们具有低的失调电压,低的输入电压电流噪声和宽的信号带宽。
低失调,低噪,低输入偏置电流和宽的带宽的结合使得MS860X 运放适用于各种应用。其优异的性能能够进入滤波器,积分器,光电放大器和高阻抗传感器应用,音频和一些 AC 应用得益于其宽的带宽和低的失真。MS860X 的工作温度范围在-40℃到 125℃。
替代
MS8605 pin=pin AD8605
MS8606 pin=pin AD8606
在应用场景和功能都是一样的,软件和硬件都是不需要改动装上直接就可以用做到完全替代,MS8605/8606价格稳定交期很好。
主要特点
低失调电压:典型 65uV,最大 300uV
低的输入偏置电流: 1pA 最大
单电源: 2.7V 到 5.5V
低噪: 8nV/√Hz
高的开环增益: 120dB
宽带宽:10MHz
单位增益稳定
应用
光电放大
多阶滤波器
传感器
音频
条形扫描器
MS8605封装
https://p26.toutiaoimg.com/origin/tos-cn-i-qvj2lq49k0/7452ad390962471b8295eba0e432490d?from=pc
/ J7 w. v* W. f, K  b

& C; x, U1 F! {9 K5 V' I
MS8606封装
https://p26.toutiaoimg.com/origin/tos-cn-i-qvj2lq49k0/283df9740dd241bab4ad7f621f369af0?from=pc
6 X/ I- O2 w( L# I; _! i1 j" j
  }/ h  f$ q& i8 S$ i/ l/ _& o
输入输出特性
https://p26.toutiaoimg.com/origin/tos-cn-i-qvj2lq49k0/bd0c3d44c1a145b086fb1f7177f50b27?from=pc
8 k7 x6 v* r- L) Z1 B
$ B2 f' B) }/ X1 I+ K
https://p26.toutiaoimg.com/origin/tos-cn-i-qvj2lq49k0/05129d4cd2c640f694e8434cf18e6974?from=pc
% Y' {4 e" C. p% i- O, r
$ F% M) @# @! C* V
噪声特性
https://p26.toutiaoimg.com/origin/tos-cn-i-qvj2lq49k0/485a6848e7cd4421a2d8f8b7990561ee?from=pc
) c* \9 A  Y! x) a: r

; l! P. U6 l' O! \. c3 `7 U! B0 x3 C
典型应用
光电二极管前置放大器:
MS860X 系列有低失调电压和低输入电流的优势,可以很好的应用在光电二极管领域。低噪声的特性使其在应用线路中有较高的灵敏度。
音频与 PDA 应用:
MS860X 系列有低失真和宽动态范围,使其在音频和 PDA 应用上占有优势,包括麦克风放大器和线路输出缓冲
音频与 PDA 应用:
MS860X 系列有低失真和宽动态范围,使其在音频和 PDA 应用上占有优势,包括麦克风放大器和线路输出缓冲
https://p26.toutiaoimg.com/origin/tos-cn-i-qvj2lq49k0/2dd5511c72094022aa43f5d0d1319650?from=pc
6 M0 g0 Q5 C4 ~

0 c9 x/ o1 Y9 k; m5 Q+ g/ }
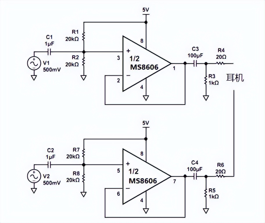
乐器放大器:
MS860X 系列拥有低失调电压和低噪声的优点,很适合应用于乐器放大器。
差分放大器广泛应用于高精度电路中,以提高共模抑制比,此结构共模抑制比能达到 85-95dB
https://p26.toutiaoimg.com/origin/tos-cn-i-qvj2lq49k0/d279b45827344d8c90e223ae0f73891a?from=pc" v0 n$ `5 J2 ^0 h7 ?
) N% i1 n. I- [
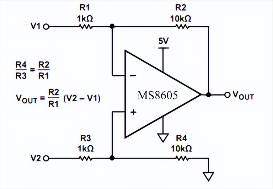
DAC 转换:
MS860X 系列有低偏置电流和低失调电压等特点,是电流输出 DAC 的输出缓冲的绝佳选择。
下图为 MS8605 应用在 12-bit DAC 的输出端的典型结构
https://p26.toutiaoimg.com/origin/tos-cn-i-qvj2lq49k0/d73a0c15989f4d0ea4d9593b36a3d7de?from=pc# n' y' ?8 ?: `: S& t" A0 w, ~3 q- _
9 h% Y) q$ \4 s4 Y% x4 Y! ]
应对进口芯片近期的涨价问题,提供可兼容方案
MS5182替代AD7682封装QFN20
MS5189替代AD7689封装QFN20
MS7332替代AD8615封装MSOP8
MS5192替代AD7792封装TSSOP16
MS5193替代AD7793封装TSSOP16
MS5198替代AD7798封装TSSOP16
MS5620替代TLC5620封装SOP14
MS8311替代AD8615封装SOT23-5
MS8605替代AD8605封装SOT23-5
MS1549替代AD7685封装SOP8/QFN20
MS8605替代AD8605封装SOT23-5
MS8606替代AD8606封装SOP8
MS8608替代AD8608封装SOP14
MS8361替代AD8615、AD8661封装SOT23-5
MS8362替代AD8616、AD8662封装SOP8/MSOP8
XC1611替代ADG1611封装TSSOP16
XC110替代TS3L110封装SOP16/SSOP16/TSSOP16
以上兼容方案封装和功能是一样的,价格相对于进口有很大优势并且交期稳定

) C' j4 k1 Y1 y/ g

该用户从未签到

2#
发表于 2022-4-22 09:15 | 只看该作者
运算放大器的作用是在实际电路中,通常结合反馈网络共同组成某种功能模块,它是一种带有特殊耦合电路及反馈的放大器,其输出信号可以是输入信号加,减或微分,积分等数学运算的结果。

点评

专业,怎么联系你  详情 回复 发表于 2022-4-23 16:45

该用户从未签到

3#
 楼主| 发表于 2022-4-23 16:45 | 只看该作者
fuu65iwi 发表于 2022-4-22 09:155 r+ D0 u+ m( b
运算放大器的作用是在实际电路中,通常结合反馈网络共同组成某种功能模块,它是一种带有特殊耦合电路及反馈 ...

( H2 A2 M4 C# X8 b# g- U" }专业,怎么联系你, n7 v8 q9 ~  t3 Y* ], U/ z
您需要登录后才可以回帖 登录 | 注册

本版积分规则

关闭

推荐内容上一条 /1 下一条

EDA365公众号

关于我们|手机版|EDA365电子论坛网 ( 粤ICP备18020198号-1 )

GMT+8, 2025-10-27 23:46 , Processed in 0.140625 second(s), 28 queries , Gzip On.

深圳市墨知创新科技有限公司

地址:深圳市南山区科技生态园2栋A座805 电话:19926409050

快速回复 返回顶部 返回列表